更新日期:2024-04-01 00:04:00
产品简介:具有 LDO 和 LVDS 接口的 ±50mV 输入、精密电流检测增强型隔离式调制器
查看详情AMC1304L05DW 供应商
- 公司
- 型号
- 品牌
- 封装/批号
- 数量
- 地区
- 日期
- 说明
- 询价
-
TI
-
原厂原装
22+ -
3288
-
上海市
-
-
-
一级代理原装
-
TI(德州仪器)
-
SOIC-16
2022+ -
12000
-
上海市
-
-
-
原装可开发票
AMC1304L05DW 中文资料属性参数
- 现有数量:13现货
- 价格:1 : ¥83.55000管件
- 系列:-
- 包装:管件
- 产品状态:在售
- 类型:隔离模块
- 通道数:1
- 分辨率(位):16 b
- 采样率(每秒):78k
- 数据接口:LVDS - 串行
- 供电电压源:单电源
- 电压 - 供电:3V ~ 5.5V
- 工作温度:-40°C ~ 125°C
- 安装类型:表面贴装型
- 封装/外壳:16-SOIC(0.295",7.50mm 宽)
- 供应商器件封装:16-SOIC
产品特性
- 针对基于分流电阻的电流测量进行优化的引脚兼容系列: 输入电压范围为 ±50mV 或 ±250mV CMOS 或 LVDS 数字接口选项
- 输入电压范围为 ±50mV 或 ±250mV
- CMOS 或 LVDS 数字接口选项
- 出色的直流性能,支持系统级高精度感测: 偏移误差:±50µV 或 ±100µV(最大值) 偏移漂移:1.3µV/°C(最大值) 增益误差:±0.2% 或 ±0.3%(最大值) 增益漂移:±40ppm/°C(最大值)
- 偏移误差:±50µV 或 ±100µV(最大值)
- 偏移漂移:1.3µV/°C(最大值)
- 增益误差:±0.2% 或 ±0.3%(最大值)
- 增益漂移:±40ppm/°C(最大值)
- 安全相关认证: 7000 VPK 增强型隔离,符合 DIN V VDE V 0884-10 (VDE V 0884-10): 2006-12 标准 符合 UL 1577 标准且长达 1 分钟的 5000 VRMS 隔离 CAN/CSA No. 5A 组件接受服务通知、IEC 60950-1 和 IEC 60065 终端设备标准
- 7000 VPK 增强型隔离,符合 DIN V VDE V 0884-10 (VDE V 0884-10): 2006-12 标准
- 符合 UL 1577 标准且长达 1 分钟的 5000 VRMS 隔离
- CAN/CSA No. 5A 组件接受服务通知、IEC 60950-1 和 IEC 60065 终端设备标准
- 瞬态抗扰度:15kV/µs(最小值)
- 高电磁场抗扰度(请参见应用手册 SLLA181A)
- 外部 5MHz 至 20MHz 时钟输入可更加轻松地实现系统级同步
- 18V 片载低压降 (LDO) 稳压器
- 可在扩展工业温度范围内运行
产品概述
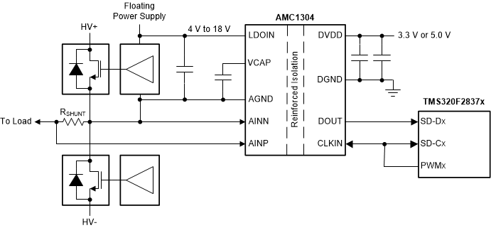
AMC1304 是一款高精度 Δ-Σ (ΔΣ) 调制器,通过磁场抗扰度较高的电容式双隔离栅隔离输出与输入电路。根据 DIN V VDE V 0884-10、UL1577 和 CSA 标准,该隔离栅经认证可提供高达 7000 VPEAK 的增强型隔离。当与隔离电源配合使用时,该器件可防止共模高电压线路上的噪声电流进入本地系统接地,从而干扰或损害低电压电路。AMC1304 的输入针对直接连接分流电阻或其他低电压等级信号源进行了优化。凭借独特的 ±50mV 低输入电压范围,器件可通过分流显著降低功耗,同时具有出色的交流和直流性能。通过使用适当的数字滤波器(即集成于 TMS320F2807x 或 TMS320F2837x 系列)来抽取位流,该器件可在 78kSPS 数据速率下实现 81dB (13.2 ENOB) 动态范围的 16 位分辨率。在高侧,调制器由集成的低压降 (LDO) 稳压器供电,该稳压器支持介于 4V 和 18V 之间的未经稳压的输入电压 (LDOIN)。隔离数字接口由 3.3V 或 5V 电源 (DVDD) 供电。 AMC1304 采用宽体小外形尺寸集成电路 (SOIC)-16 (DW) 封装,工作温度范围为 –40°C 至 +125°C。
AMC1304L05DW 数据手册
| 数据手册 | 说明 | 数量 | 操作 |
|---|---|---|---|
AMC1304L05DW
|
Isolated Module 16 bit 20M LVDS - Serial, Serial 16-SOIC |
41页,1.34M | 查看 |
AMC1304L05DW 电路图
AMC1304L05DW 电路图
AMC1304L05DW 相关产品
- 5962-0720401VXC
- 5962-0720801VXC
- 5962-87802012A
- 5962-9152101MXA
- 5962-9961601HXA
- 6PA3100IRHBRQ1
- AD2S1210SST-EP-RL7
- AD2S1210WDSTZ
- AD2S80ATD/B
- AD3421QRWERQ1
- AD3421QRWETQ1
- AD5122ABCPZ100-RL7
- AD5122BCPZ100-RL7
- AD5122BRUZ10
- AD5123BCPZ100-RL7
- AD5142BCPZ10-RL7
- AD5235BRU25-EP-RL7
- AD5317RBRUZ
- AD5317RBRUZ-RL7
- AD5372BCPZ
- AD5623RBCPZ-5REEL7
- AD5628BCBZ-1-RL7
- AD5668BCPZ-1500RL7
- AD5684ARUZ
- AD5684BCPZ-RL7
- AD5684BRUZ-RL7
- AD5686ACPZ-RL7
- AD5686ARUZ
- AD5686BRUZ
- AD5686BRUZ-RL7

搜索
发布采购
AMC1304L05DW