更新日期:2024-04-01 00:04:00
产品简介:4 发送、4 接收、10MHz 至 6GHz、支持高达 600MHz IBW 的射频采样收发器
查看详情AFE7444IABJ 供应商
- 公司
- 型号
- 品牌
- 封装/批号
- 数量
- 地区
- 日期
- 说明
- 询价
-
TI
-
原厂原装
22+ -
3288
-
上海市
-
-
-
一级代理原装
-
TI(德州仪器)
-
FCBGA-400(17x17)
2022+ -
12000
-
上海市
-
-
-
原装可开发票
AFE7444IABJ 中文资料属性参数
- 现有数量:0现货1,350Factory查看交期
- 价格:90 : ¥20,199.54500托盘
- 系列:-
- 包装:托盘
- 产品状态:在售
- 位数:14
- 通道数:4
- 功率 (W):-
- 电压 - 供电,模拟:-
- 电压 - 供电,数字:-
- 安装类型:表面贴装型
- 封装/外壳:400-BFBGA,FCBGA
- 供应商器件封装:400-FCBGA(17x17)
产品特性
- 四通道、14 位 9GSPS DAC信号带宽高达 800MHz 每通道 1个 DSA 调节输出功率
- 信号带宽高达 800MHz
- 每通道 1个 DSA 调节输出功率
- 四通道、14 位 3GSPS ADC信号带宽高达 800MHz NSD:–151dBFS/HzfIN = 2.6GHz、–3dBFS 时的交流性能SNR:55dBFSSFDR:73dBc HD2 和 HD3SFDR:91dBc(最严重毛刺)每通道 2 个 DSA 扩展动态范围射频和数字功率检测器
- 信号带宽高达 800MHz
- NSD:–151dBFS/Hz
- fIN = 2.6GHz、–3dBFS 时的交流性能SNR:55dBFSSFDR:73dBc HD2 和 HD3SFDR:91dBc(最严重毛刺)
- SNR:55dBFS
- SFDR:73dBc HD2 和 HD3
- SFDR:91dBc(最严重毛刺)
- 每通道 2 个 DSA 扩展动态范围
- 射频和数字功率检测器
- 射频频率范围:10MHz 至 6GHz
- 快速跳频 < 1µs
- 接收数字信号路径:每个 ADC 连接双通道 DDC每个 DDC 有 3 个相位同调 32 位 NCO抽取率:3 倍至 32 倍
- 每个 ADC 连接双通道 DDC
- 每个 DDC 有 3 个相位同调 32 位 NCO
- 抽取率:3 倍至 32 倍
- 发送数字信号路径:每个带有 32 位 NCO 的 DAC 连接双通道 DUC插值率:8 倍至 36 倍Sin(x)/x 校正和可配置延迟功率放大器保护 (PAP)
- 每个带有 32 位 NCO 的 DAC 连接双通道 DUC
- 插值率:8 倍至 36 倍
- Sin(x)/x 校正和可配置延迟
- 功率放大器保护 (PAP)
- JESD204B 接口:8 个高达 15Gbps 的收发器子类 1 多芯片同步
- 8 个高达 15Gbps 的收发器
- 子类 1 多芯片同步
- 时钟:具有旁路选项的内部 PLL 和 VCO利用时钟分频器产生最高为 3GHz 的时钟输出
- 具有旁路选项的内部 PLL 和 VCO
- 利用时钟分频器产生最高为 3GHz 的时钟输出
- DAC 功耗:9GSPS 时为 1.7W/ch
- ADC 功耗:3GSPS 时为 1.8W/ch
- 封装:17mm x 17mm FC BGA,0.8mm 间距
产品概述
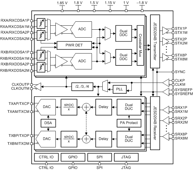
AFE7444 是具有 14 位 9GSPS DAC 和 14 位 3GSPS ADC 的四路通道宽频带射频采样模拟前端 (AFE)。可在高达 6GHz 的射频下工作,此器件支持直接射频采样到 C
频带,无需其他频率转换阶段。密度和灵活性的改进实现了对高通道数、多任务系统的支持。DAC 信号路径支持插值和数字上变频选项,提供高达 800MHz
信号带宽。差动输出路径包括支持输出功率调优的数字步进衰减器 (DSA)。每个 ADC 输入路径包括一个双通道 DSA 和射频数字功率检测器。灵活的抽取选项提供数据带宽优化。8 通道 (8 TX + 8 RX) 子类 1 兼容性 JESD204B 接口运行速度高达 15Gbps。可旁路片上 PLL 通过可选时钟输出简化时钟运行。
AFE7444IABJ 电路图
AFE7444IABJ 电路图
AFE7444IABJ 相关产品
- 5962-0720401VXC
- 5962-0720801VXC
- 5962-87802012A
- 5962-9152101MXA
- 5962-9961601HXA
- 6PA3100IRHBRQ1
- AD2S1210SST-EP-RL7
- AD2S1210WDSTZ
- AD2S80ATD/B
- AD3421QRWERQ1
- AD3421QRWETQ1
- AD5122ABCPZ100-RL7
- AD5122BCPZ100-RL7
- AD5122BRUZ10
- AD5123BCPZ100-RL7
- AD5142BCPZ10-RL7
- AD5235BRU25-EP-RL7
- AD5317RBRUZ
- AD5317RBRUZ-RL7
- AD5372BCPZ
- AD5623RBCPZ-5REEL7
- AD5628BCBZ-1-RL7
- AD5668BCPZ-1500RL7
- AD5684ARUZ
- AD5684BCPZ-RL7
- AD5684BRUZ-RL7
- AD5686ACPZ-RL7
- AD5686ARUZ
- AD5686BRUZ
- AD5686BRUZ-RL7

搜索
发布采购