更新日期:2024-04-01 00:04:00
产品简介:功耗为 90mW/通道、噪声为 0.95nV/√Hz 的 16 通道超声波模拟前端
查看详情AFE58JD16ZAV 供应商
- 公司
- 型号
- 品牌
- 封装/批号
- 数量
- 地区
- 日期
- 说明
- 询价
-
TI
-
原厂原装
22+ -
3288
-
上海市
-
-
-
一级代理原装
AFE58JD16ZAV 中文资料属性参数
- 现有数量:0现货2,394Factory查看交期
- 价格:126 : ¥1,645.48659托盘
- 系列:-
- 包装:托盘
- 产品状态:在售
- 位数:14
- 通道数:16
- 功率 (W):90 mW
- 电压 - 供电,模拟:-
- 电压 - 供电,数字:-
- 安装类型:表面贴装型
- 封装/外壳:289-LFBGA
- 供应商器件封装:289-NFBGA(15x15)
产品特性
- 面向超声波应用的 16 通道 模拟前端 (AFE): 输入衰减器、低噪声放大器 (LNA)、低通滤波器 (LPF)、模数转换器 (ADC) 和连续波 (CW) 混频器 数字时间增益补偿 (DTGC) 总增益范围:6dB 至 45dB 线性输入范围:1 VPP
- 输入衰减器、低噪声放大器 (LNA)、低通滤波器 (LPF)、模数转换器 (ADC) 和连续波 (CW) 混频器
- 数字时间增益补偿 (DTGC)
- 总增益范围:6dB 至 45dB
- 线性输入范围:1 VPP
- 带有 DTGC 的输入衰减器: 衰减范围为 0dB 至 8dB(步长为 0.125dB) 支持阻抗匹配: 50Ω 至 800Ω 的源阻抗
- 衰减范围为 0dB 至 8dB(步长为 0.125dB)
- 支持阻抗匹配: 50Ω 至 800Ω 的源阻抗
- 50Ω 至 800Ω 的源阻抗
- 带有 DTGC 的低噪声放大器 (LNA): 增益范围为 14dB 至 45dB(步长为 0.125dB) 低输入电流噪声:1.2pA/√Hz
- 增益范围为 14dB 至 45dB(步长为 0.125dB)
- 低输入电流噪声:1.2pA/√Hz
- 三阶线性相位低通滤波器 (LPF): 10MHz、15MHz、20MHz 和 25MHz
- 10MHz、15MHz、20MHz 和 25MHz
- 模数转换器 (ADC): 14 位 ADC:65MSPS 时 75dBFS SNR 12 位 ADC:80MSPS 时 72dBFS SNR
- 14 位 ADC:65MSPS 时 75dBFS SNR
- 12 位 ADC:80MSPS 时 72dBFS SNR
- 低压差分信令 (LVDS) 接口,接口速率最高达 1GBPS
- 针对噪声和功耗进行了优化: 90mW/通道,1nV/√Hz (65MSPS) 55mW/通道,1.45nV/√Hz (40MSPS) 59mW/通道(CW 模式)
- 90mW/通道,1nV/√Hz (65MSPS)
- 55mW/通道,1.45nV/√Hz (40MSPS)
- 59mW/通道(CW 模式)
- 出色的器件间增益匹配: ±0.5dB(典型值)
- ±0.5dB(典型值)
- 低谐波失真等级:–60dBc
- 快速且持续的过载恢复
- 连续波 (CW) 路径: 低近端相位噪声:1KHz 时为 -148dBc/Hz 相位分辨率:λ/16 支持 16X、8X、4X 和 1X CW 时钟
- 低近端相位噪声:1KHz 时为 -148dBc/Hz
- 相位分辨率:λ/16
- 支持 16X、8X、4X 和 1X CW 时钟
- 数字 特性: ADC 之后的数字 I/Q 解调器:分数抽取滤波器 M = 1 至 63(递增步长为 0.25X) 数据吞吐量在抽取后降低 带有 32 种预设配置文件的片上随机存取存储器 (RAM)
- ADC 之后的数字 I/Q 解调器:分数抽取滤波器 M = 1 至 63(递增步长为 0.25X) 数据吞吐量在抽取后降低 带有 32 种预设配置文件的片上随机存取存储器 (RAM)
- 分数抽取滤波器 M = 1 至 63(递增步长为 0.25X)
- 数据吞吐量在抽取后降低
- 带有 32 种预设配置文件的片上随机存取存储器 (RAM)
- 5Gbps JESD 接口: JESD204B 子类 0、1 和 2 每条 JESD 信道包含 2、4 或 8 条通道
- JESD204B 子类 0、1 和 2
- 每条 JESD 信道包含 2、4 或 8 条通道
- 小型封装:15mm × 15mm NFBGA-289
- 医疗超声波成像
- 无损检测设备
- 声纳成像设备
- 多通道高速数据采集
产品概述
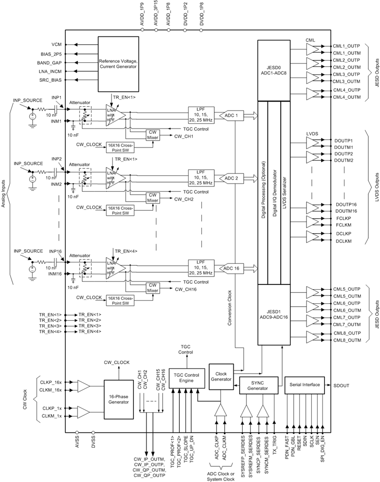
AFE58JD16 是一套高度集成的模拟前端 (AFE) 解决方案,专用于需要高性能、低功耗和小尺寸的超声波系统。如需完整数据表或其他设计资源,请点击:请求获取 AFE58JD16
AFE58JD16ZAV 电路图

AFE58JD16ZAV 电路图
AFE58JD16ZAV 相关产品
- 5962-0720401VXC
- 5962-0720801VXC
- 5962-87802012A
- 5962-9152101MXA
- 5962-9961601HXA
- 6PA3100IRHBRQ1
- AD2S1210SST-EP-RL7
- AD2S1210WDSTZ
- AD2S80ATD/B
- AD3421QRWERQ1
- AD3421QRWETQ1
- AD5122ABCPZ100-RL7
- AD5122BCPZ100-RL7
- AD5122BRUZ10
- AD5123BCPZ100-RL7
- AD5142BCPZ10-RL7
- AD5235BRU25-EP-RL7
- AD5317RBRUZ
- AD5317RBRUZ-RL7
- AD5372BCPZ
- AD5623RBCPZ-5REEL7
- AD5628BCBZ-1-RL7
- AD5668BCPZ-1500RL7
- AD5684ARUZ
- AD5684BCPZ-RL7
- AD5684BRUZ-RL7
- AD5686ACPZ-RL7
- AD5686ARUZ
- AD5686BRUZ
- AD5686BRUZ-RL7