- 参考价格:¥9.45
更新日期:2024-04-01 00:04:00
产品简介:具有采样/保持功能的低电压、8 位串行 I/O CMOS A/D 转换器
查看详情- 参考价格:¥9.45
ADCV08832CIMX/NOPB 供应商
- 公司
- 型号
- 品牌
- 封装/批号
- 数量
- 地区
- 日期
- 说明
- 询价
-
TI
-
原厂原装
22+ -
3288
-
上海市
-
-
-
一级代理原装
-
TI(德州仪器)
-
SOIC-8
2022+ -
12000
-
上海市
-
-
-
原装可开发票
ADCV08832CIMX/NOPB 中文资料属性参数
- 制造商:National Semiconductor (TI)
- 转换器数量:1
- ADC 输入端数量:2, 1
- 结构:SAR
- 转换速率:38 KSPs
- 分辨率:8 bit
- 输入类型:Voltage
- 接口类型:Serial (3-Wire, Microwire)
- 信噪比:49.5 dB
- Supply Voltage - Max:5.5 V
- Supply Voltage - Min:2.7 V
- 最大工作温度:+ 125 C
- 安装风格:SMD/SMT
- 封装 / 箱体:SOIC-8 Narrow
- 封装:Reel
- 最小工作温度:- 40 C
- 工作电源电压:3.3 V
- 工厂包装数量:2500
产品特性
- 3-wire serial digital data link requires few I/O pins
- Single supply 2.7V to 5V
- Analog input track/hold function
- Analog input voltage range from GND to VCC
- No zero or full scale adjustment required
- TTL/CMOS input/output compatible
- Superior pin compatible replacement for TLV0832 and ADC0832
产品概述
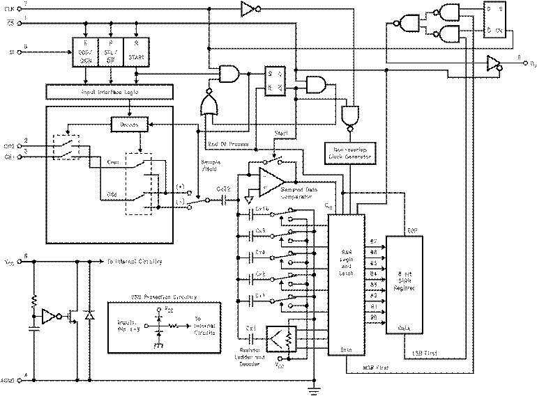
The ADCV08832 is a low voltage, 8-Bit successive approximation analog-to-digital converter with a 3-wire serial interface. The serial I/O will interface to microcontrollers, PLD's, microprocessors, DSPs or shift registers. The serial I/O is configured to comply with the NSC MICROWIRE serial data exchange standard.To minimize total power consumption, the ADCV08832 can be set to go into low power mode whenever it is not performing conversions.A sample/hold function allows the analog voltage at the positive input to vary during the actual A/D conversion. The analog inputs can be configured to operate in various combinations of single-ended, differential, or pseudo-differential modes.
ADCV08832CIMX/NOPB 电路图
ADCV08832CIMX/NOPB 电路图
ADCV08832CIMX/NOPB 相关产品
- 100301QC
- 100304QC
- 100310QC
- 100311QC
- 100313QC
- 100316QC
- 100322QC
- 100329APC
- 100329DC
- 100336DC
- 100336PC
- 100341QC
- 100351DC
- 100351PC
- 100363QC
- 100364QC
- 100370QC
- 100390QC
- 100398QI
- 11AA010T-I/TT
- 11AA160T-I/TT
- 11LC010T-I/TT
- 11LC020T-I/TT
- 11LC040T-E/TT
- 11LC160T-E/TT
- 1ED020I12-F
- 2304NZGI-1LF
- 23A640-I/SN
- 23K256-I/SN
- 23K256-I/ST

搜索
发布采购