- 参考价格:¥2,501.25
更新日期:2024-04-01 00:04:00
5962R7802005VFA 供应商
- 公司
- 型号
- 品牌
- 封装/批号
- 数量
- 地区
- 日期
- 说明
- 询价
-
TI代理
-
原厂封装
23+ -
15000
-
上海市
-
-
-
中国区代理原装现货热卖特价
5962R7802005VFA 中文资料属性参数
- 制造商:National Semiconductor (TI)
- 接收机数量:4
- 接收机信号类型:Differential
- 接口类型:EIA/TIA-422, EIA/TIA-423
- 工作电源电压:5 V
- 最大工作温度:+ 125 C
- 最小工作温度:- 55 C
- 封装 / 箱体:CPAK
- 封装:Tube
- 安装风格:SMD/SMT
- 工厂包装数量:19
- 电源电流:50 mA
产品特性
- Input Voltage Range of ±7.0V (Differential or Common Mode) ±0.2V Sensitivity over the Input Voltage Range
- High Input Impedance
- Operation from Single +5.0V Supply
- Input Pull-Down Resistor Prevents Output Oscillation on Unused Channels
- TRI-STATE Outputs, with Choice of Complementary Enables, for Receiving Directly onto a Data Bus
产品概述
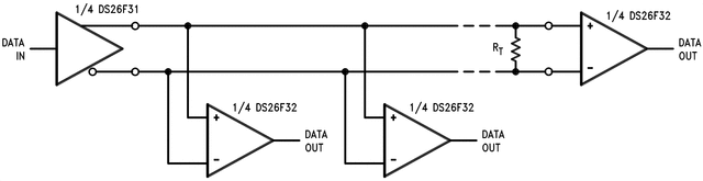
The DS26F32 is a quad differential line receiver designed to meet the requirements of EIA
Standards RS-422 and RS-423, and Federal Standards 1020 and 1030 for balanced and unbalanced
digital data transmission. The DS26F32 offers improved performance due to the use of state-of-the-art L-FAST bipolar
technology. The L-FAST technology allows for higher speeds and lower currents by utilizing
extremely short gate delay times. Thus, the DS26F32 features lower power, extended temperature
range, and improved specifications.The device features an input sensitivity of 200 mV over the input common mode range of
±7.0V. The DS26F32 provides an enable function common to all four receivers and TRI-STATE outputs
with 8.0 mA sink capability. Also, a fail-safe input/output relationship keeps the outputs high
when the inputs are open. The DS26F32 offers optimum performance when used with the DS26F31 Quad Differential Line
Driver.
5962R7802005VFA 电路图

5962R7802005VFA 电路图
5962R7802005VFA 相关产品
- 100301QC
- 100304QC
- 100310QC
- 100311QC
- 100313QC
- 100316QC
- 100322QC
- 100329APC
- 100329DC
- 100336DC
- 100336PC
- 100341QC
- 100351DC
- 100351PC
- 100363QC
- 100364QC
- 100370QC
- 100390QC
- 100398QI
- 11AA010T-I/TT
- 11AA160T-I/TT
- 11LC010T-I/TT
- 11LC020T-I/TT
- 11LC040T-E/TT
- 11LC160T-E/TT
- 1ED020I12-F
- 2304NZGI-1LF
- 23A640-I/SN
- 23K256-I/SN
- 23K256-I/ST