更新日期:2024-04-01 00:04:00
产品简介:具有集电极开路输出的军用 6 通道 4.5V 至 5.5V 双极反相器
查看详情5962-9861701Q2A 中文资料属性参数
- 现有数量:0现货2,625Factory
- 价格:在售
- 系列:*
- 包装:管件
- 产品状态:在售
- 逻辑类型:-
- 元件数:-
- 每个元件位数:-
- 输入类型:-
- 输出类型:-
- 电流 - 输出高、低:-
- 电压 - 供电:-
- 工作温度:-
- 安装类型:-
- 封装/外壳:-
- 供应商器件封装:-
产品特性
- Convert TTL Voltage Levels to MOS Levels
- High Sink-Current Capability
- Input Clamping Diodes Simplify System Design
- Open-Collector Driver for Indicator Lamps and Relays
- Inputs Fully Compatible With Most TTL Circuits
- On Products Compliant to MIL-PRF-38535, All Parameters Are Tested Unless Otherwise Noted. On All Other Products, Production Processing Does Not Necessarily Include Testing of All Parameters.
产品概述
The SNx4LS06 devices feature high-voltage, open-collector outputs to interface with
high-level circuits (such as MOS), or for driving high-current loads, and also are characterized
for use as inverter buffers for driving TTL inputs. The SNx4LS06 devices have a rated output
voltage of 30 V.
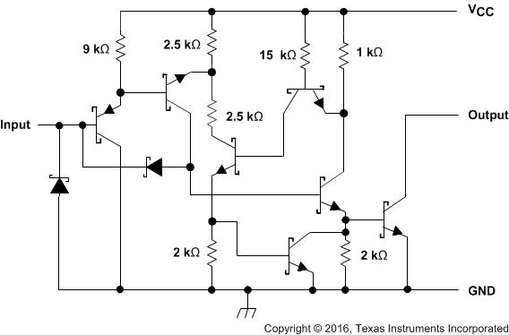
5962-9861701Q2A 电路图
5962-9861701Q2A 电路图
5962-9861701Q2A 相关产品
- 1P1G125QDRYRQ1
- 1P1G126QDRYRQ1
- 1P2GU04QDRYRQ1
- 2N7001TDCKR
- 2N7001TDPWR
- 54FCT245TDB
- 5962-8762401CA
- 5962-8766301MRA
- 5962-8768001EA
- 7202LA50JG
- 7203L20TDB
- 7204L35J
- 72805LB15PF
- 7280L20PA
- 72V201L15PFGI
- 72V211L10PFG
- 72V245L10PFG
- 72V3640L10PF
- 72V3660L7-5PFI
- 72V70210DAG
- 72V70840DAG
- 72V73273BBG
- 74AHC05S14-13
- 74AHC05T14-13
- 74AHC1G126MDCKTEP
- 74AHC32S14-13
- 74AHC594S16-13
- 74AHC594T16-13
- 74AHCT08PW-Q100J
- 74AHCT125S14-13

搜索
发布采购