更新日期:2024-04-01 00:04:00
产品简介:轨至轨低噪声高级 LinCMOS™ 双通道运算放大器
查看详情5962-9555202QHA 中文资料属性参数
- 现有数量:0现货1,304Factory
- 价格:在售
- 系列:*
- 包装:管件
- 产品状态:在售
- 放大器类型:-
- 电路数:-
- 输出类型:-
- 压摆率:-
- 增益带宽积:-
- -3db 带宽:-
- 电流 - 输入偏置:-
- 电压 - 输入补偿:-
- 电流 - 供电:-
- 电流 - 输出/通道:-
- 电压 - 跨度(最小值):-
- 电压 - 跨度(最大值):-
- 工作温度:-
- 安装类型:-
- 封装/外壳:-
- 供应商器件封装:-
产品特性
- Output Swing Includes Both Supply Rails
- Low Noise: 9 nV/√Hz Typical at f = 1 kHz
- Low-Input Bias Current: 1-pA Typical
- Fully-Specified for Both Single-Supply and Split-Supply Operation
- Common-Mode Input Voltage Range Includes Negative Rail
- High-Gain Bandwidth: 2.2-MHz Typical
- High Slew Rate: 3.6-V/µs Typical
- Low Input Offset Voltage: 2.5 mV Maximum at TA = 25°C
- Macromodel Included
- Performance Upgrades for the TLC272 and TLC274
- Available in Q-Temp Automotive
产品概述
The TLC2272AM-MIL device is a dual operational amplifier from Texas Instruments. The
device exhibits rail-to-rail output performance for increased dynamic range in single- or
split-supply applications. The TLC2272AM-MIL device offers 2 MHz of bandwidth and 3 V/µs of slew
rate for higher-speed applications. Thee device offers comparable ac performance while having
better noise, input offset voltage, and power dissipation than existing CMOS operational
amplifiers. The TLC2272AM-MIL device has a noise voltage of 9 nV/√Hz, two
times lower than competitive solutions.The TLC2272AM-MIL device, exhibiting high input impedance and low noise, is excellent for
small-signal conditioning for high-impedance sources such as piezoelectric transducers. Because of
the micropower dissipation levels, the device works well in hand-held monitoring and remote-sensing
applications. In addition, the rail-to-rail output feature, with single- or split-supplies, makes
this device a great choice when interfacing with analog-to-digital converters (ADCs). For precision
applications, the TLC2272AM-MIL device is available with a maximum input offset voltage of
950 µV. This device is fully characterized at 5 V and ±5 V.The TLC2272AM-MIL device also makes a great upgrade to the TLC272 in standard designs,
offering increased output dynamic range, lower noise voltage, and lower input offset voltage. This
enhanced feature set allows the device to be used in a wider range of applications. For
applications that require higher output drive and wider input voltage range, see the TLV2432 and
TLV2442 devices.If the design requires single amplifiers, see the TLV2211, TLV2221 and TLV2231 family.
These devices are single rail-to-rail operational amplifiers in the SOT-23 package. Their small
size and low power consumption make them ideal for high density, battery-powered equipment.
5962-9555202QHA 数据手册
| 数据手册 | 说明 | 数量 | 操作 |
|---|---|---|---|
5962-9555202QHA
|
Advanced LinCMOSTM RAIL-TO-RAIL OPERATIONAL AMPLIFIERS |
64 Pages页,1.27M | 查看 |
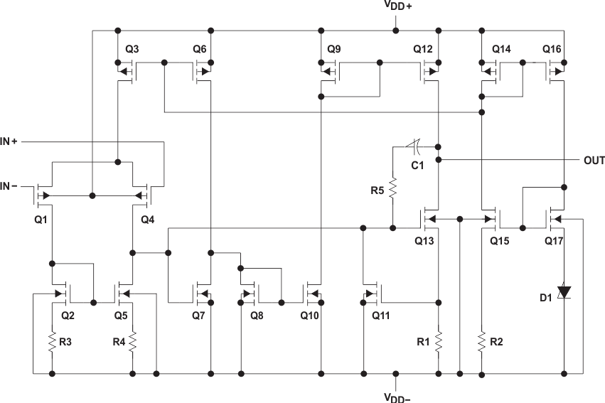
5962-9555202QHA 电路图
5962-9555202QHA 电路图
5962-9555202QHA 相关产品
- 5962-87738012A
- 5962-88513012A
- 5962-8851302HA
- 5962-8856501CA
- 5962-8859301M2A
- 5962-8872101PA
- 5962-8954401PA
- 5962-89641012A
- 5962-9098001MXA
- 5962-9201301MEA
- 5962-9313001MPA
- 5962-9452101M2A
- 5962-9457201MEA
- 5962-9457203MPA
- 5962-9851501QPA
- 77043012A
- 8102302PA
- 81023052A
- 81023062A
- 8102306CA
- ACPL-785E
- ACPL-785E-200
- AD524SD/883B
- AD524SE/883B
- AD549SH/883B
- AD603SQ/883B
- AD624SD/883B
- AD625SD/883B
- AD640TD/883B
- AD684SQ/883B

搜索
发布采购
5962-9555202QHA