更新日期:2024-04-01 00:04:00
产品简介:轨至轨低噪声高级 LinCMOS™ 四通道运算放大器
查看详情5962-9318202QCA 中文资料属性参数
- 现有数量:0现货2,924Factory
- 价格:在售
- 系列:*
- 包装:管件
- 产品状态:在售
- 放大器类型:-
- 电路数:-
- 输出类型:-
- 压摆率:-
- 增益带宽积:-
- -3db 带宽:-
- 电流 - 输入偏置:-
- 电压 - 输入补偿:-
- 电流 - 供电:-
- 电流 - 输出/通道:-
- 电压 - 跨度(最小值):-
- 电压 - 跨度(最大值):-
- 工作温度:-
- 安装类型:-
- 封装/外壳:-
- 供应商器件封装:-
产品特性
- 输出摆幅包括两个电源轨
- 低噪声:在 f = 1kHz 时为 9nV/√Hz(典型值)
- 低输入偏置电流:1pA(典型值)
- 完全符合单电源及双电源操作的要求
- 共模输入电压范围包括负轨
- 高增益带宽:2.2MHz(典型值)
- 高转换率:3.6V/µs(典型值)
- 低输入偏移电压:在 TA = 25°C 时为 2.5mV(最大值)
- 包括精简模型
- 可升级 TLC272 和 TLC274 的性能
- 可用于 Q-Temp 汽车
产品概述
TLC2274AM-MIL 器件是一款由德州仪器 (TI) 生产的四通道运算放大器。此器件在单电源或双电源应用中表现出优异的轨到轨输出性能,能够进一步扩大动态 范围。TLC2274AM-MIL 器件提供 2MHz 带宽和 3V/µs 转换率,适用于高速 应用。这些器件能够提供出色的交流性能,其噪声、输入偏移电压和功耗均低于现有 CMOS 运算放大器。TLC2274AM-MIL 器件的电压噪声为 9nV/√Hz,是竞争对手解决方案的二分之一。TLC2274AM-MIL 器件具有高输入阻抗和低噪声特性,是用于高阻抗源(如压电传感器)小信号调节的绝佳选择。该器件属于微功耗级别,因此在手持式监控和遥感应用中 运转良好。此外,该器件的单电源或双电源具有轨到轨输出特性,是与模数转换器 (ADC) 对接的理想选择。对于精密 应用,TLC2272AM-MIL 器件的最大输入偏移电压为 950µV。该器件的额定工作电压为 5V 或 ±5V。TLC2274AM-MIL 器件还在标准设计中对 TLC272 进行了显著升级,提供更高的输出动态范围、更低的噪声电压和更低的输入偏移电压。凭借这一系列增强特性,该器件能够用于更广泛的 应用。对于 需要 更高输出驱动和更宽输入电压范围的应用,请参见 TLV2432 和 TLV2442 器件。如果设计需要单个放大器,请参阅 TLV2211、TLV2221 和 TLV2231 系列。这些器件是 SOT-23 封装中的单轨至轨运算放大器。它们的尺寸较小且功耗较低,因此是高密度、电池供电设备的理想选择。
5962-9318202QCA 数据手册
| 数据手册 | 说明 | 数量 | 操作 |
|---|---|---|---|
5962-9318202QCA
|
Advanced LinCMOSTM RAIL-TO-RAIL OPERATIONAL AMPLIFIERS |
64 Pages页,1.31M | 查看 |
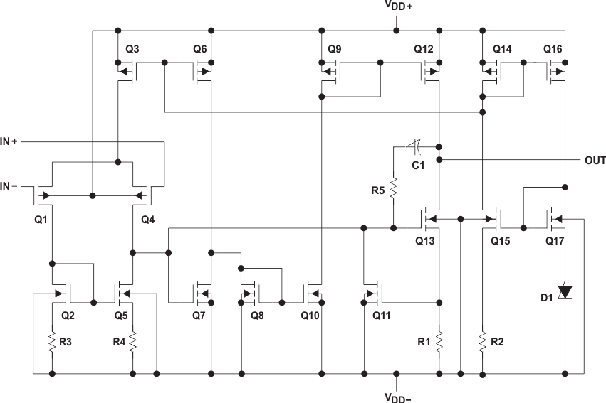
5962-9318202QCA 电路图
5962-9318202QCA 电路图
5962-9318202QCA 相关产品
- 5962-87738012A
- 5962-88513012A
- 5962-8851302HA
- 5962-8856501CA
- 5962-8859301M2A
- 5962-8872101PA
- 5962-8954401PA
- 5962-89641012A
- 5962-9098001MXA
- 5962-9201301MEA
- 5962-9313001MPA
- 5962-9452101M2A
- 5962-9457201MEA
- 5962-9457203MPA
- 5962-9851501QPA
- 77043012A
- 8102302PA
- 81023052A
- 81023062A
- 8102306CA
- ACPL-785E
- ACPL-785E-200
- AD524SD/883B
- AD524SE/883B
- AD549SH/883B
- AD603SQ/883B
- AD624SD/883B
- AD625SD/883B
- AD640TD/883B
- AD684SQ/883B

搜索
发布采购
5962-9318202QCA