更新日期:2024-04-01 00:04:00
产品简介:高速低功耗精密双通道运算放大器
查看详情5962-9088105Q2A 中文资料属性参数
- 现有数量:0现货2,133Factory
- 价格:在售
- 系列:*
- 包装:管件
- 产品状态:在售
- 放大器类型:-
- 电路数:-
- 输出类型:-
- 压摆率:-
- 增益带宽积:-
- -3db 带宽:-
- 电流 - 输入偏置:-
- 电压 - 输入补偿:-
- 电流 - 供电:-
- 电流 - 输出/通道:-
- 电压 - 跨度(最小值):-
- 电压 - 跨度(最大值):-
- 工作温度:-
- 安装类型:-
- 封装/外壳:-
- 供应商器件封装:-
产品特性
- Supply Current . . . 300 µA Max
- High Unity-Gain Bandwidth . . . 2 MHz Typ
- High Slew Rate . . . 0.45 V/µs Min
- Supply-Current Change Over Military Temp Range . . . 10 µA Typ at VCC ± = ± 15 V
- Specified for Both 5-V Single-Supply and ±15-V Operation
- Phase-Reversal Protection
- High Open-Loop Gain . . . 6.5 V/µV (136 dB) Typ
- Low Offset Voltage . . . 100 µV Max
- Offset Voltage Drift With Time 0.005 µV/mo Typ
- Low Input Bias Current . . . 50 nA Max
- Low Noise Voltage . . . 19 nV/√Hz Typ
产品概述
The TLE202x, TLE202xA, and TLE202xB devices are precision, high-speed, low-power operational amplifiers
using a new Texas Instruments Excalibur process. These devices combine the best features of the OP21 with
highly improved slew rate and unity-gain bandwidth.The complementary bipolar Excalibur process utilizes isolated vertical pnp transistors that yield dramatic improvement in unity-gain bandwidth and slew rate over similar devices.The addition of a bias circuit in conjunction with this process results in extremely stable parameters with both time and temperature. This means that a precision device remains a precision device even with changes in
temperature and over years of use.This combination of excellent dc performance with a common-mode input voltage range that includes the
negative rail makes these devices the ideal choice for low-level signal conditioning applications in either
single-supply or split-supply configurations. In addition, these devices offer phase-reversal protection circuitry
that eliminates an unexpected change in output states when one of the inputs goes below the negative supply
rail.A variety of available options includes small-outline and chip-carrier versions for high-density systems
applications.The C-suffix devices are characterized for operation from 0°C to 70°C. The I-suffix devices are characterized for operation from 40°C to 85°C. The M-suffix devices are characterized for operation over the full military temperature range of 55°C to 125°C.
5962-9088105Q2A 数据手册
| 数据手册 | 说明 | 数量 | 操作 |
|---|---|---|---|
5962-9088105Q2A
|
EXCALIBUR HIGH-SPEED LOW-POWER PRECISION OPERATIONAL AMPLIFIERS |
79 Pages页,1.49M | 查看 |
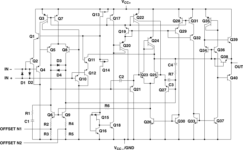
5962-9088105Q2A 电路图
5962-9088105Q2A 电路图
5962-9088105Q2A 相关产品
- 5962-87738012A
- 5962-88513012A
- 5962-8851302HA
- 5962-8856501CA
- 5962-8859301M2A
- 5962-8872101PA
- 5962-8954401PA
- 5962-89641012A
- 5962-9098001MXA
- 5962-9201301MEA
- 5962-9313001MPA
- 5962-9452101M2A
- 5962-9457201MEA
- 5962-9457203MPA
- 5962-9851501QPA
- 77043012A
- 8102302PA
- 81023052A
- 81023062A
- 8102306CA
- ACPL-785E
- ACPL-785E-200
- AD524SD/883B
- AD524SE/883B
- AD549SH/883B
- AD603SQ/883B
- AD624SD/883B
- AD625SD/883B
- AD640TD/883B
- AD684SQ/883B

搜索
发布采购
5962-9088105Q2A