更新日期:2024-04-01 00:04:00
产品简介:具有三态输出的高速 CMOS 逻辑八路 D 类上升沿反向触发器
5962-8984901RA 中文资料属性参数
- 现有数量:0现货1,616Factory
- 价格:在售
- 系列:*
- 包装:管件
- 产品状态:在售
- 功能:-
- 类型:-
- 输出类型:-
- 元件数:-
- 每个元件位数:-
- 时钟频率:-
- 不同 V、最大 CL 时最大传播延迟:-
- 触发器类型:-
- 电流 - 输出高、低:-
- 电压 - 供电:-
- 电流 - 静态 (Iq):-
- 输入电容:-
- 工作温度:-
- 安装类型:-
- 供应商器件封装:-
- 封装/外壳:-
产品特性
- 缓冲输入
- 通用三态输出使能控制
- 三态输出
- 总线驱动能力
- 当 VCC = 5V, CL = 15pF,TA = 25℃ 时的传播延迟典型值 = 13ns(时钟到输出)
- 扇出(在温度范围内) 标准输出:10 个 LSTTL 负载 总线驱动器输出:15 个 LSTTL 负载
- 标准输出:10 个 LSTTL 负载
- 总线驱动器输出:15 个 LSTTL 负载
- 宽工作温度范围:–55℃ 至 125℃
- 平衡的传播延迟及转换时间
- 与 LSTTL 逻辑 IC 相比,功耗显著降低
- HC 类型 工作电压为 2V 至 6V 高抗噪性:当 VCC = 5V 时,NIL = 30%,NIH = VCC 的 30%
- 工作电压为 2V 至 6V
- 高抗噪性:当 VCC = 5V 时,NIL = 30%,NIH = VCC 的 30%
- HCT 类型 工作电压为 4.5V 至 5.5V 直接 LSTTL 输入逻辑兼容性, VIL = 0.8V(最大值),VIH = 2V(最小值) CMOS 输入兼容性,当电压为 VOL、VOH时,II ≤ 1µA
- 工作电压为 4.5V 至 5.5V
- 直接 LSTTL 输入逻辑兼容性, VIL = 0.8V(最大值),VIH = 2V(最小值)
- CMOS 输入兼容性,当电压为 VOL、VOH时,II ≤ 1µA
5962-8984901RA 数据手册
| 数据手册 | 说明 | 数量 | 操作 |
|---|---|---|---|
5962-8984901RA
|
High-Speed CMOS Logic Octal D-Type Flip-Flop, Three-State Inverting Positive-Edge Triggered |
14 Pages页,288K | 查看 |
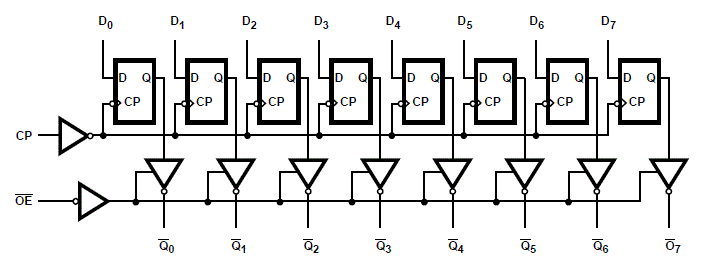
5962-8984901RA 电路图
5962-8984901RA 电路图
5962-8984901RA 相关产品
- 1P1G125QDRYRQ1
- 1P1G126QDRYRQ1
- 1P2GU04QDRYRQ1
- 2N7001TDCKR
- 2N7001TDPWR
- 54FCT245TDB
- 5962-8762401CA
- 5962-8766301MRA
- 5962-8768001EA
- 7202LA50JG
- 7203L20TDB
- 7204L35J
- 72805LB15PF
- 7280L20PA
- 72V201L15PFGI
- 72V211L10PFG
- 72V245L10PFG
- 72V3640L10PF
- 72V3660L7-5PFI
- 72V70210DAG
- 72V70840DAG
- 72V73273BBG
- 74AHC05S14-13
- 74AHC05T14-13
- 74AHC1G126MDCKTEP
- 74AHC32S14-13
- 74AHC594S16-13
- 74AHC594T16-13
- 74AHCT08PW-Q100J
- 74AHCT125S14-13

搜索
发布采购
5962-8984901RA