更新日期:2024-04-01 00:04:00
产品简介:3 线路到 8 线路解码器/多路解复用器
查看详情5962-8406201VEA 中文资料属性参数
- 现有数量:0现货1,612Factory
- 价格:在售
- 系列:*
- 包装:管件
- 产品状态:在售
- 类型:-
- 电路:-
- 独立电路:-
- 电流 - 输出高、低:-
- 供电电压源:-
- 电压 - 供电:-
- 工作温度:-
- 安装类型:-
- 封装/外壳:-
- 供应商器件封装:-
产品特性
- 专门针对高速存储器解码器和数据传输系统
- 宽工作电压范围(2V 至 6V)
- 输出可驱动多达 10 个低功耗肖特基晶体管逻辑电路 (LSTTL) 负载
- 低功耗,ICC 最大值为 80µA
- tpd典型值 = 15ns
- ±4mA 输出驱动 (在 5V 时)
- 低输入电流,最大值为 1µA
- 低电平有效输出(所选输出为低电平)
- 纳入三个使能输入以简化级联或数据接收
产品概述
SNx4HC138 器件设计用于需要极短传播延迟时间的高性能存储器解码或数据路由应用。在高性能存储系统中,可使用此类解码器来尽可能地消除系统解码的影响。与使用高速使能电路的高速存储器一起使用时,这些解码器的延迟时间和存储器的使能时间通常小于存储器的典型存取时间。这意味着解码器引起的有效系统延迟可以忽略不计。
5962-8406201VEA 数据手册
| 数据手册 | 说明 | 数量 | 操作 |
|---|---|---|---|
5962-8406201VEA
|
3-LINE TO 8-LINE DECODERS/DEMULTIPLEXERS |
16 Pages页,541K | 查看 |
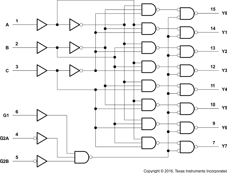
5962-8406201VEA 电路图
5962-8406201VEA 电路图
5962-8406201VEA 相关产品
- 1P1G125QDRYRQ1
- 1P1G126QDRYRQ1
- 1P2GU04QDRYRQ1
- 2N7001TDCKR
- 2N7001TDPWR
- 54FCT245TDB
- 5962-8762401CA
- 5962-8766301MRA
- 5962-8768001EA
- 7202LA50JG
- 7203L20TDB
- 7204L35J
- 72805LB15PF
- 7280L20PA
- 72V201L15PFGI
- 72V211L10PFG
- 72V245L10PFG
- 72V3640L10PF
- 72V3660L7-5PFI
- 72V70210DAG
- 72V70840DAG
- 72V73273BBG
- 74AHC05S14-13
- 74AHC05T14-13
- 74AHC1G126MDCKTEP
- 74AHC32S14-13
- 74AHC594S16-13
- 74AHC594T16-13
- 74AHCT08PW-Q100J
- 74AHCT125S14-13

搜索
发布采购
5962-8406201VEA